索高变压器有限公司
服务咨询热线:
0577-62787878
首页
公司简介
公司简介
公司介绍
企业文化
公司环境
产品中心
产品中心
油浸式电力配电变压器
干式变压器
电抗器
特种变压器
矿用变压器
环保型箱式变电站
荣誉资质
新闻中心
资料下载
联系我们
产品展示
当前位置:
首页
产品中心
干式变压器
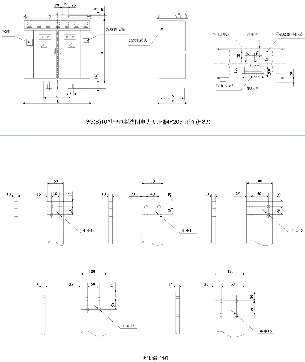
SG10 6~10KV级系列H级非封绝缘干式变压器
SG9、SG10系列10KV级外壳干式变压器
上一个:SG9、SG10系列10KV级本体干式变压器
下一个:SC(B)H15非晶合金干式变压器
返回列表
在线客服
技术支持
电话
0577-62787878
微信